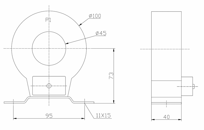
LDZC-10型电流互感器

技术参数
| 型号 | 规格(A) | 准确级 | 额定二次输出(VA) |
|---|---|---|---|
| LDZC - 10(4510040) | - | 0.2S | - |
| LDZC - 10(4510040) | - | 0.2 | - |
| LDZC - 10(4510040) | - | 0.5 | - |
| LDZC - 10(4510040) | 200/5 | 2.5 | 2.5 |
| LDZC - 10(4510040) | 200/5 | 2.5 | 3.75 |
| LDZC - 10(4510040) | 300/5 | 3.75 | 5 |
| LDZC - 10(4510040) | 300/5 | 5 | 7.5 |
| LDZC - 10(4510040) | 400/5 | 5 | 7.5 |
| LDZC - 10(4510040) | 400/5 | 7.5 | 10 |
| LDZC - 10(4510040) | 500/5 | 7.5 | 10 |
| LDZC - 10(4510040) | 500/5 | 10 | 15 |
| LDZC - 10(4510040) | 600/5 | 10 | 15 |
| LDZC - 10(4510040) | 600/5 | 15 | 20 |
外形尺寸
