首页
公司简介
新闻中心
公司新闻
行业动态
产品展示
断路器及配网自动化系列
计量箱系列产品
电能质量在线监测装置(防窃电)
互感器系列产品
成功案例
常见问题
联系我们
全国服务热线:
15736822999、15308028894
首页
公司简介
新闻中心
公司新闻
行业动态
产品展示
断路器及配网自动化系列
计量箱系列产品
电能质量在线监测装置(防窃电)
互感器系列产品
成功案例
常见问题
联系我们
当前位置:
首页
>
产品展示
>
互感器系列产品
YTJL-10WF-二次融合电子式组合传感器
[ 时间:2025-09-12 19:14:40 ]
详细信息
YTJL-10WF-二次融合电子式组合传感器
技术参数
型号
额定电压比 - 三相相序
额定电压比 - 零序
准确级
额定负荷
YTJL - 10WF
10/√3kV/3.25/√3V
10/√3kV/6.5/3V
0.5/1
2MΩ
型号
额定电流比 - 三相相序
额定电流比 - 零序
准确级
额定负荷
YTJL - 10WF
600A/1V(A)
20A/0.2V(100/1A)
0.5/5P10
2MΩ
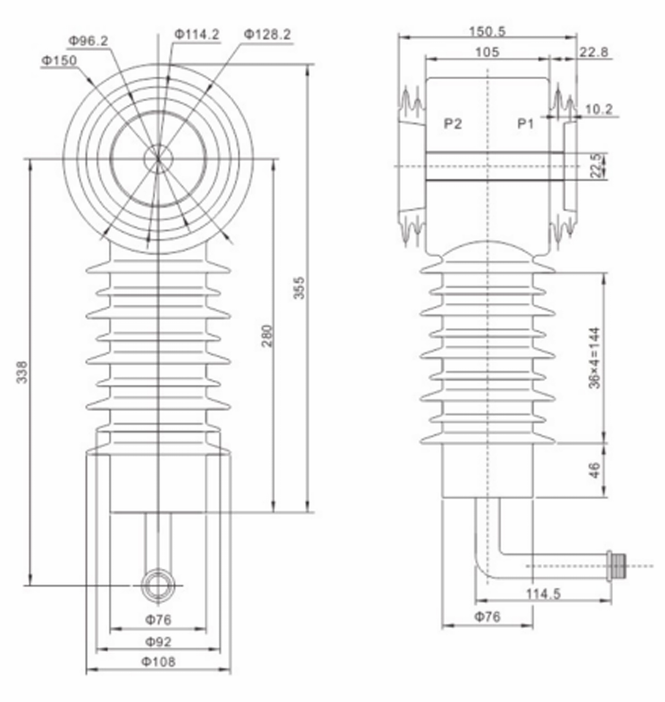
外形尺寸
上一篇:
EVT/ZW32-20、35电子式电压传感器
下一篇:
YTJL-10、15、20WJ一体化电压电流组合传感器
相关产品
电缆分支箱
电能计量箱
箱式变电站
15736822999、15308028894
微信咨询
网站首页
电话咨询
返回顶部